Permanent Magnetic Separator
Bullet Magnet
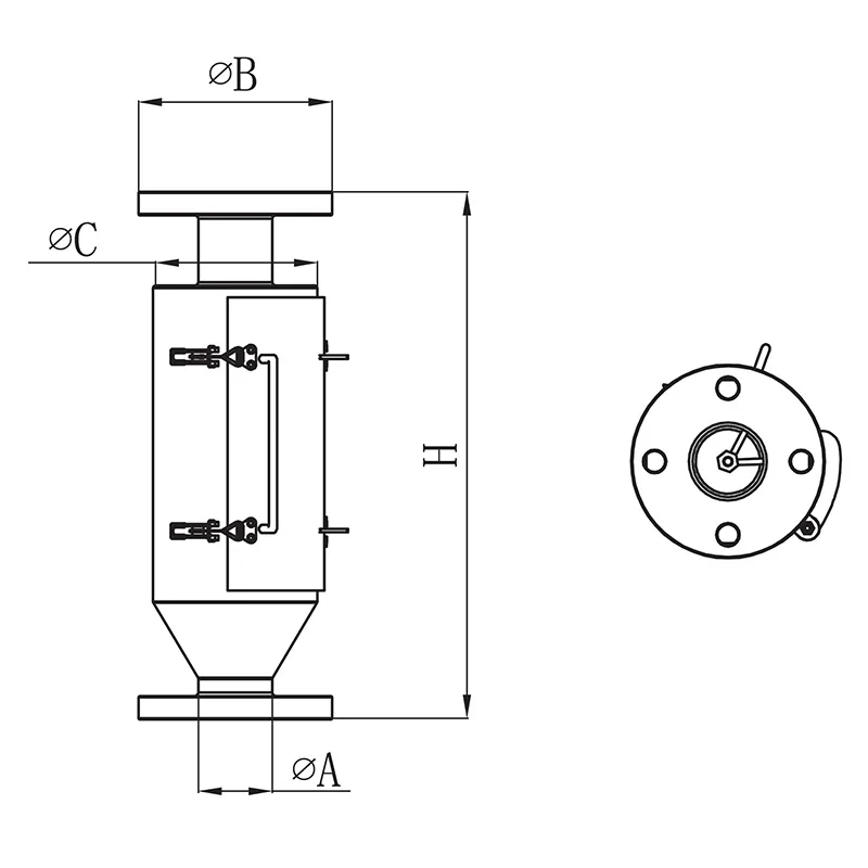
Magnetic bullet separator for removing ferrous metal contamination from gravity fed or pneumatic conveying systems
Permanent Magnetic Separator
Bullet Magnet
Magnetic bullet separator for removing ferrous metal contamination from gravity fed or pneumatic conveying systems
Bullet magnets are ideal for capturing ferrous impurities, including iron filings and larger ferromagnetic particles, from dry materials conveyed by gravity or air transport systems. These magnetic separators are commonly used in industries such as flour milling, grain processing, plastic manufacturing, and the processing of kaolin or talc powders, where maintaining product purity is important.
Each bullet magnet consists of a bullet-shaped cone magnet core housed in a stainless-steel casing, typically installed in conveying pipeline systems. These separators effectively capture ferrous contaminants, ensuring clean material and protecting downstream equipment from potential damage.
| Model | Dimensions (mm) | Weight (kg) | |||
| ØA | B | C | H | ||
| | 51 | 150 | 114 | 380 | 9 |
| | 76 | 185 | 168 | 540 | 20 |
| | 100 | 165 | 219 | 586 | 34 |
| | 150 | 225 | 273 | 655 | 48.5 |
| | 198 | 275 | 355 | 760 | 100 |
| | 248 | 325 | 426 | 850 | 121 |
| | 298 | 395 | 480 | 880 | 143 |
| | 395 | 480 | 610 | 1100 | 227 |
- The bullet-shaped cone design ensures optimal interaction between the magnetic field and the material flow, increasing separation efficiency.
- Magnetic field strengths are available from 3,000 GS to 15,000 GS, ensuring effective removal of ferromagnetic contaminants.
- Cleaning is simple and quick: release the latch, open the stainless steel door, and wipe the magnetic core clean.
- Custom designs are available to meet specific operational needs and material requirements.














