Permanent Magnetic Separator
Hump Magnet
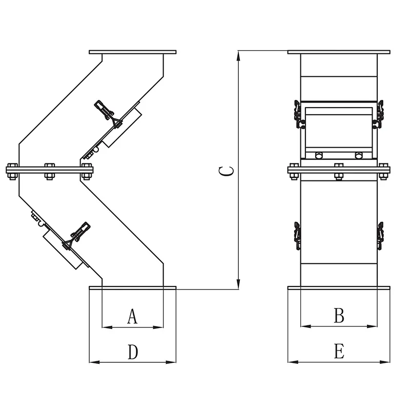
Magnetic hump separator used in closed production line to remove ferromagnetic impurities
Permanent Magnetic Separator
Hump Magnet
Magnetic hump separator used in closed production line to remove ferromagnetic impurities
Used in closed production lines, hump magnets efficiently remove ferromagnetic contaminants such as iron blocks, iron filings, and other magnetic particles from materials transported by gravity or air systems. These magnetic separators are widely used in industries such as food processing, chemicals, and construction materials, where maintaining product quality and protecting equipment from contamination is crucial.
These hump magnets ensure material cleanliness before storage or further processing. They also protect downstream equipment from potential damage caused by ferrous metals contamination. For applications with limited space, a half-hump magnetic separator can be used, offering effective separation while fitting into restricted areas of production lines.
| Model | Dimensions (mm) | Weight (kg) | ||||
| B | A | C | E | D | ||
| | 150 | 120 | 470 | 170 | 200 | 14 |
| | 178 | 150 | 750 | 250 | 220 | 33 |
| | 178 | 200 | 750 | 300 | 220 | 44 |
| | 178 | 250 | 750 | 350 | 220 | 55 |
| | 178 | 300 | 750 | 400 | 220 | 66 |
| | 200 | 350 | 1110 | 450 | 300 | 128 |
| | 200 | 400 | 1110 | 500 | 300 | 146 |
| | 200 | 450 | 1110 | 550 | 300 | 164 |
| | 200 | 500 | 1110 | 600 | 300 | 182 |
- Magnetic plate systems are used for separating ferrous impurities, providing reliable and efficient filtration.
- Rare earth or ferrite magnets are available depending on the customer’s needs, with the option of using 304 or 316 stainless steel for the separator’s housing, ensuring durability and corrosion resistance.
- Angled designs help materials make direct contact with the magnetic plates, preventing clogging, bridging, and enhancing separation efficiency by breaking up any compacted material.
- The simple structure of the system allows for easy installation and cleaning, making maintenance hassle-free.
- Customizable inlet and outlet designs and other specifications can be tailored to meet unique operational requirements.














